EN

为推动再生金属产业高质量发展,规范再生铜及铜合金原料、再生铝及铝合金原料(以下简称再生铜铝原料)的进口管理,现将有关事项公告如下。
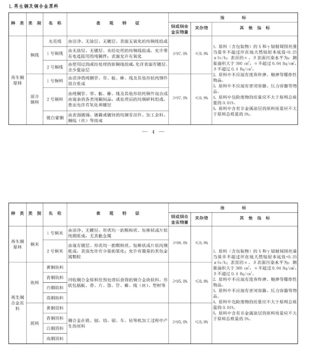
一、符合附表要求的再生铜铝原料不属于固体废物,可自由进口。附表中不同种类的再生铜铝原料不允许混装,报关时同一报关单下不允许申报不同种类的再生铜铝原料;不同类别的散装再生铜铝原料不允许混装,当不同类别的再生铜铝原料有独立包装时可以混装,但应分类放置。
二、再生铜原料的海关商品编号为7404000030、7404000050;再生铜合金原料的海关商品编号为7404000020、7404000040;再生纯铝原料的海关商品编号为7602000040;再生变形铝合金原料的海关商品编号为7602000050;再生铸造铝合金原料的海关商品编号为7602000020、7602000030。海关商品编号仅供通关申报参考。
三、除放射性污染检验应符合海关专门检验要求外,再生铜铝原料的检验首先采用感官检验,当不能确定是否符合附表指标要求时按照海关行业技术规范或国家标准GB/T 38470、GB/T 38471、GB/T 38472、GB/T 40382、GB/T 40386的相应检验方法进行检验。
四、进口的再生铜铝原料应符合本公告要求。海关发现进口再生铜铝原料疑似固体废物的,可以委托专业机构开展属性鉴别,并根据鉴别结论依法管理。
五、本公告自2024年11月15日起实施,《关于规范再生黄铜原料、再生铜原料和再生铸造铝合金原料进口管理有关事项的公告》(生态环境部 海关总署 商务部 工业和信息化部公告2020年第43号)同时废止。
特此公告。
生态环境部
海关总署
国家发展改革委
工业和信息化部
商务部
市场监管总局
2024年10月21日
生态环境部办公厅2024年10月23日印发
附表:再生铜及铜合金原料、再生铝及铝合金原料的性能指标要求:


本文转载、整理于网络资讯,若有侵权或异议请联系我们删除。